Cedar Channel Siding

@mcgregorhomes

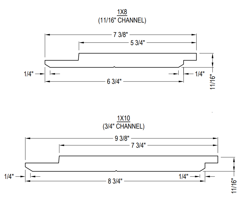
Available Sizes:

Features & Benefits:
-True Western Red Cedar, milled in British Columbia
-Contains natural oils and resins that make it resistant to rot, decay, and insects
-Creates a traditional reverse board and batten look
-Excellent for siding
-No hole Architectural Knotty grade
Profile:


Applications: Exterior/interior siding








Fastening Cedar Siding
Why choose Western Red Cedar?
Fiber Source:

Certifications
All cedar boards are SFI certified and fully supported by the Western Red Cedar Lumber Association.

Visit our formal Cedar website at:
At FP-CedarSuppy.com you can find local dealers, get a quote, learn about installation, and find preferred contractors.